Algunos de nuestros proyectos:
CGSuspensiones le apoya en el desarrollo de nuevos productos o de ambiciosos proyectos técnicos. Nuestro equipo compuesto por ingenieros y personal especializado le asesorará desde la fase conceptual hasta la realización de su proyecto, garantizando la seguridad del mismo.
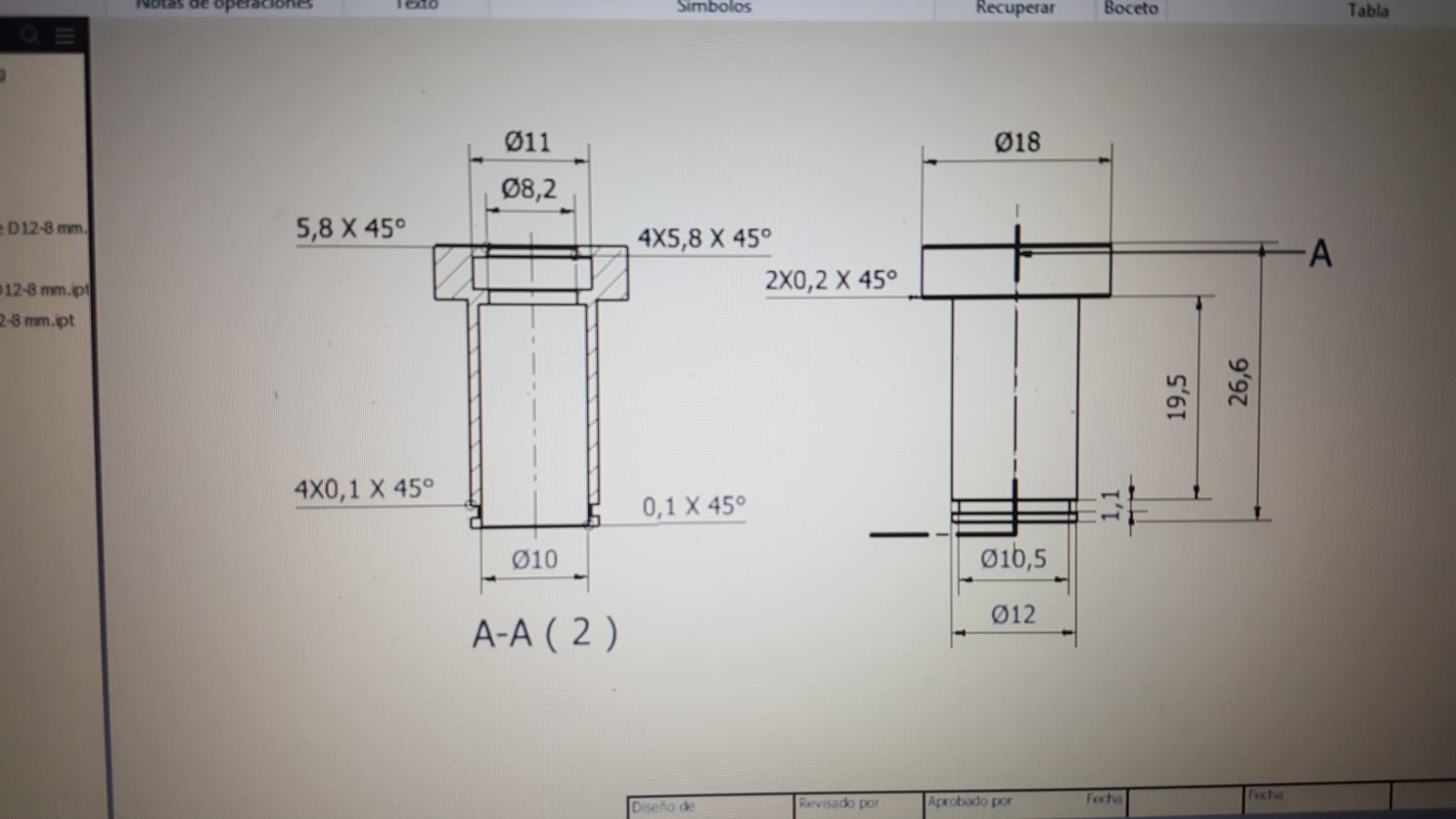
Siempre con Autodesk (Autocad, Inventor, etc...) y un banco de pruebas de última generación, siempre en el ámbito del mundo del motor, en el sector de la motocicleta, avaladas por el trabajo al frente del departamento de desarrollo e investigación además del sector competición en las más actuales fabricas italianas del sector como FG, MUPO, Matris o colaboraciones con WP, BITUBO, Universidad de Ferrara (Italia) y Universidad "La Florida" (Valencia-España), UPV (Universidad Politécnica de Valencia), Universidad de Málaga, Universidad de Huelva, UNIZAR (Universidad de Zaragoza), MAQLAB-UC3M (Carlos III University of Madrid), etc...
Algunos de nuestros trabajos:
Ofrecemos servicios en la reparación y puesta a punto de las suspensiones de sus motocicletas tanto si dispone de una de sport/turismo, deportiva, off-road, super-motard, clásicas, quads, etc… así como por el contrario, si se encuentra introducido en el mundo de la competición profesional.
Tenemos en este apartado, una dilatada experiencia en grandes premios, en los cuales ha trabajado para diferentes equipos en diferentes campeonatos tanto en SBK y MotoGP destacando: Blauer Team Aprilia World125GP ::: Kawasaki Team Italia 600 WorldSS ::: Union-bike Yamaha Italia WorldSBK ::: NCR Ducati & SC Caracchi WorldSS ::: Triumph-Italia 600 WorldSS ::: QATAR TEAM WorldMOTO2 ::: IGAX-TEAM, etc...
Hacemos adaptaciones de amortiguadores de todo tipo con tubo separado y regulación de compresión separada o adaptación de pre-carga hidráulica.
Fabricación y modificación de cualquier suspensión tanto de motocicletas como Quads, 4X4, Motos de agua, Clásicos etc...
También trabajamos en el mundo de las cuatro ruedas para mejorar o modificar el trabajo de los amortiguadores tanto de los Formulas, Rally, 4X4, hidráulicos de capota o alerones coches, etc...
Ofrecemos una amplia gama de servicios en el mundo de la competición, destacando nuestra dilatada experiencia en la puesta a punto de la ciclística utilizando medios técnicos y telemetría. Asimismo todo su trabajo esta respaldado por una saga familiar casi centenaria en el mundo de las dos ruedas, ofreciendo diferentes servicios más desde las instalaciones pudiendo así ofrecer la máxima calidad y seriedad en cada unos de estos trabajos.





















































































